本文详细介绍了由LDM-1901光学望远镜与BTS2048-VL-TEC光谱辐射计组成的专业光生物安全测量系统。该系统严格遵循IEC/EN 62471标准,通过LDM-1901提供的200mm/1000mm双测量距离及100 mrad、11 mrad、1.7 mrad三档可调视场角,结合BTS2048-VL-TEC的热电制冷CCD探测器与BiTec双传感器技术,实现对300-1050nm光谱范围的高精度测量。系统可精准评估蓝光危害、视网膜热危害、紫外危害等关键参数,并支持照度、色温、显色指数等数十种光学量测量。本文详细梳理测试流程,为LED照明制造商、检测实验室及职业安全评估机构提供了一套符合国际标准、操作安全、数据可靠的完整解决方案。
展示全部 
精准评估视网膜蓝光危害:LDM-1901光生物安全测量系统解析
随着LED照明技术的普及,蓝光危害问题日益受到关注。蓝光在可见光中波长较短(约380nm至500nm)、能量较高,过度接收蓝光可能导致视网膜损伤。LDM-1901系统严格遵循国际IEC/EN 62471标准,满足产品CE认证要求。
本文将为您详细解析LDM-1901望远镜 + BTS2048-VL-TEC光谱辐射计组成的专业光生物安全测量系统。重点介绍其如何精准评估视网膜蓝光危害,为LED照明制造、设备检测及安全评估提供可靠的技术解决方案。

一、产品概述:LDM-1901 + BTS2048-VL-TEC测量系统
LDM-1901并非一台独立的测量设备,而是一个精密的光学望远镜附件,需要与BTS2048-VL-TEC光谱辐射计主机配合使用,组合成一个完整的光生物安全测量系统。
BTS2048-VL-TEC作为该系统的核心主机,它是Gigahertz-Optik推出的一款高性能制冷型阵列光谱辐射计,其核心优势在于:
1. 采用热电制冷的ccd探测器;
2. 积分时间范围从2 µs扩展至60 s,既能捕捉LED闪光等瞬态信号,也能在低光强下保持高灵敏度;
3. 2048像素与2 nm光学带宽的组合确保了精细的光谱分辨能力,配合电子快门与四位置滤光轮实现超宽动态范围,可测量从0.2 lx到3*108 lx的ji端照度差异;
4. 独特的BiTec双传感器设计通过
滤波光电二极管与光谱单元的并行测量与相互校正,实现了优于1.5%的光谱失配校正和>99.6%的线性度;
5. 支持杂散光矩阵校正与带外滤光将紫外测量范围延伸至280 nm;
6. 多接口触发同步与模块化附件扩展能力(积分球、测角仪、ILED-B等)使其能够灵活测量光谱辐照度、辐射亮度、光通量、颜色参数及显色指数等数十种光学量,是LED闪光灯分选、光生物安全评估、光通量测量等严苛应用的理想选择。

LDM-1901光学望远镜:LDM-1901是Gigahertz-Optik专门为光生物安全测量设计的一款精密光学望远镜配件,配合BTS2048系列光谱辐射计使用,将系统转换为光谱辐射度测量模式以评估视网膜危害,其特点在于:
1. 它提供200 mm和1000 mm两个固定测量距离,满足视网膜危害评估的zui小距离要求;
2. 通过可更换光圈实现100 mrad、11 mrad和1.7 mrad三种视场角,覆盖蓝光危害、视网膜热危害等不同评估场景的视场需求;
3. 其基于相机的取景器既简化了精确对准的流程,又彻底消除了传统目镜对操作者眼睛的潜在风险。
LDM-1901光学望远镜与BTS2048系列光谱辐射计组合,可以实现300 nm至1050 nm光谱范围的光谱辐射度测量或200 nm至400 nm紫外危害测量,并可选配2 nm或0.8 nm光学带宽,同时支持与Z01/Z02/Z04等积分探测器搭配进行特定危害的快速评估,配合ISO/IEC 17025认可的DAkkS校准认证,确保了测量结果的国际溯源性与高精度。

二、系统可测量的参数
BTS2048系列光谱辐射计依靠其模块化设计和创新的BiTec双传感器技术,能够测量从基础光学量到专业光生物安全参数的数十种指标。
在辐射度量方面,它可测量光谱辐照度、光谱辐射强度、光谱辐射功率以及光谱辐射亮度;
在光度参数方面,可测量照度、光亮度、光强度和光通量。
该系列在颜色与色度参数测量上同样表现优异,能够提供CIE 1931和CIE 1976色坐标(重复性±0.0001)、色温、显色指数(Ra及R1-R15)、TM-30-18色保真度与色域、CQS色品质指数、主波长(±0.5 nm)、峰值波长(±0.2 nm)以及Δuv色偏差等。
在光生物安全领域,配合LDM-1901望远镜可测量蓝光加权辐亮度、视网膜热危害、紫外危害,并依据IEC 62471标准自动进行风险组别分类。

2.1 LED照明产品的光生物安全风险组分类
这套BTS2048+LDM1901的系统覆盖300 nm至1050 nm光谱范围,可依据IEC/EN 62471标准,对UV-A LED、白光LED、NIR LED等非相干光源进行精确的光生物安全风险组别分类(RG0豁免组至RG3高风险组),帮助用户确保产品满足CE标志对低电压指令的合规要求。
2.2 视网膜蓝光危害精准评估
300 nm至700 nm光谱范围内的光谱辐射度,结合蓝光危害加权函数
,精确计算蓝光加权辐亮度。这一应用严格遵循IEC TR 62778《应用IEC 62471评估光源和灯具的蓝光危害》标准,特别适用于一般照明服务产品的蓝光危害等级判定。
2.3皮肤与视网膜危害评估
当拆下LDM-1901望远镜,单独使用BTS2048-VL-TEC时,其80°视场角的漫射器可直接测量光谱辐照度,用于评估光源对皮肤和眼睛角膜的潜在危害,实现一台设备覆盖多种光生物危害类型的测量需求

三、蓝光危害评估的测试步骤
根据IEC 62471标准,蓝光加权辐亮度LB的计算公式如下:

其中,LB:蓝光加权辐亮度,单位为
;
:光源的光谱辐亮度,单位为
(这正是 BTS2048+LDM-1901系统测量的核心参数);
:蓝光危害加权函数(无量纲),反映不同波长蓝光对视网膜的相对危害程度;
:波长带宽(通常为1nm或5nm,取决于测量设备)
基于IEC 62471 和 IEC TR 62778 标准要求,使用 LDM-1901 + BTS2048-VL-TEC 系统进行视网膜蓝光危害评估的典型步骤如下:
步骤一:硬件安装与参数设置
将LDM-1901望远镜安装在BTS2048-VL-TEC 光谱辐射计主机上。根据 IEC 62471 标准对视网膜危害评估的要求,在 LDM-1901上选择200mm的标准测量距离,这是模拟人眼与光源之间可能的zui小安全观察距离。同时,根据评估目标,选择11mrad的视场光圈,该视场角(约 0.63 度)对应于人眼在观察中等大小光源时的视角(用于计算蓝光危害)。
步骤二:软件安装与激活
从 Gigahertz-Optik 官网下载并安装S-BTS2048软件。首次启动时,输入 S-BTS2048 软件本身的激活密钥。激活软件后,通过主菜单Options(选项)→Settings(设置)进入设置对话框,从左侧列表选择License Manager(许可证管理器)。点击Add(添加)按钮,输入随测量设备的S-T-BTS2048-LDM1901 许可证密钥,以激活 LDM-1901 功能模块。完成后重启软件,系统应能识别 LDM-1901 设备,相关功能即可使用。

步骤三:相机驱动安装
在下载 S-BTS2048 软件的同一资源页面中,找到并下载Camera Driver。运行安装程序,按照提示完成驱动安装。将 LDM-1901 连接到计算机后,系统应能正常识别相机模块,用于精确瞄准被测光源。
步骤四:校准配置与测量执行
打开 S-BTS2048 软件,进入Menu(菜单)→ Devices(设备)→ Measurement Devices(测量设备) → 选择您的 BTS2048 → Setup(设置)。在新对话框的顶部,找到名为Configuration(配置)的下拉按钮,选择与当前设置的测量距离和视场角相匹配的校准条目(原厂提供)。正确选择后,软件将自动应用对应的校准系数,确保测量结果的准确性。
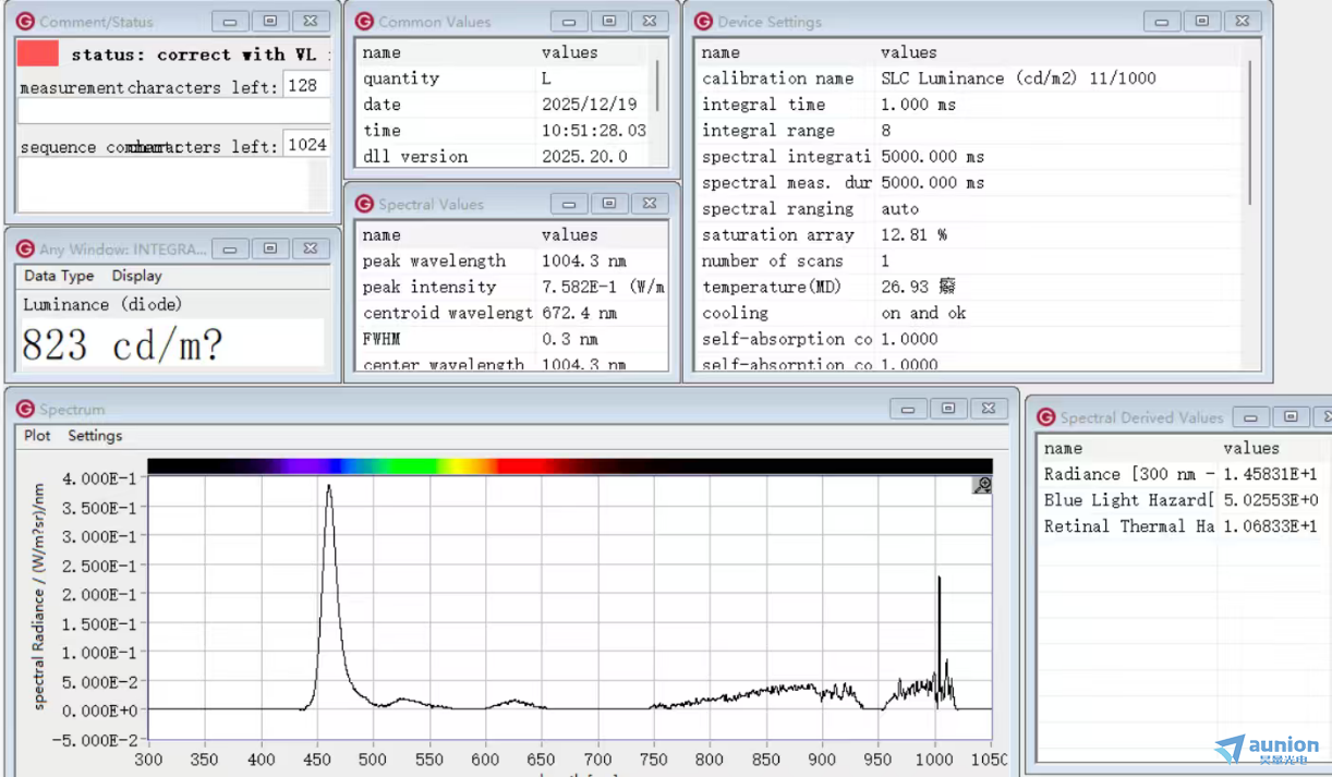
完成上述配置后,系统即可测量光谱辐射度,单位 W/(m²·sr·nm)。软件通过内置的加权函数对测量数据进行计算,可得出以下参数:
- 蓝光危害:使用
加权函数,波长范围 300-700 nm,结果可在软件的数值显示窗口中直接查看
- 视网膜热危害:使用
加权函数,同样在软件中内置并可直接读取

LDM-1901 + BTS2048-VL-TEC系统以其严格遵循IEC/EN 62471标准的完整测试能力、从硬件到软件的一站式解决方案,为LED照明制造、设备检测和安全评估提供了值得信赖的技术支撑。如您对产品及其相关应用感兴趣,欢迎随时联系,我们将为您提供专业的技术咨询与定制化解决方案。
了解更多LDM-1901光生物安全测试仪详情,请访问上海昊量光电的官方网页:
https://www.auniontech.com/details-2600.html
欢迎直接联系昊量光电
关于昊量光电:
上海昊量光电设备有限公司凭借强大的本地化销售网络与专业技术支持团队,长期服务于国内数以万计工业及科研客户,涵盖半导体、生物医疗、量子科技、精密制造、生物显微、物联传感、材料加工、光通讯等前沿领域。
昊量光电拥有的专家级的软硬件开发团队及丰富的行业应用经验,可提供:
✅ 全天候售后技术支持——快速响应,确保设备稳定运行;
✅ 定制化解决方案——从售前咨询到安装,培训,系统集成等,满足多样化需求;
✅ 客户高度认可——服务案例覆盖众多头部企业及高端科研机构,客户满意度持续居前列。
您可以通过我们昊量光电的官方网站www.auniontech.com了解更多的产品信息,或直接来电咨询4006-888-532。